Home ยป Thermostat Wiring Diagram Heat Pump
Why Is My Cooling Running Constantly Sensi UsProduct : Order Now ads/responsive.txt ads/responsive.txt
Why Is My Cooling Running Constantly Sensi Us
Bbf1da Nest Wiring Diagram Dual Fuel Heat Pump Wiring Library
3 Wire Thermostat Wiring Diagram Hvac Hamra Arabians De
How To Jump Thermostat Wires For Heat
Hvac Talk Heating Air Refrigeration Discussion
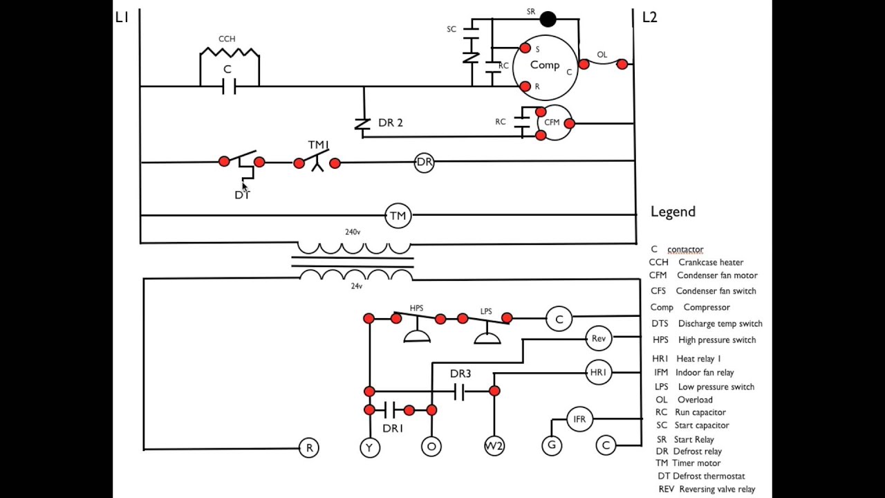
Hvac Wiring Diagrams Goodman 1 Wiring Diagram Source
Hvac Talk Heating Air Refrigeration Discussion
Heat Pump Thermostat Wiring Explained Colors Terminals
Honeywell Thermostat Wiring Color Code Diagram Base Website Color
Ecobee3 Lite Wiring Diagrams Ecobee Support
Compressor Current Relay Wiring Diagram Hamra Arabians De
D7d Goodman Hvac Fan Wiring Diagram Wiring Library
Heat Pump Thermostat Choose The Right Thermostat For Heat Pumps
Central Heating Wiring Diagrams
Tv 7771 Nest Thermostat Wiring 2 Wire Free Download Wiring
Https Encrypted Tbn0 Gstatic Com Images Q Tbn 3aand9gcrlp70otvb0bgp608jb11hno Gbc3 7ewvnjvtt4rc Wz Ujpt2 Usqp Cau
Honeywell Th8320u1008 Installation Manual
86531 Plemun Heat And Heat Pump Thermostat Wiring Diagram Wiring
Below Is The Air Handler For Attic Heat Pump System Norme Co
Https Centralboiler Com Media 2866 Wiring Diagram Two 24v Thermostats And Relay C400 Pdf
Honeywell Thermostat Wiring Color Code Diagram Base Website Color
Trane Condenser Wiring Diagram Wiring Diagram
Installing Nest Learning Thermostat 3rd Gen With Dual Fuel System
Https Heatingcontrols Honeywellhome Com Documents Reference Guide Pdf Wiring 20guide 202018 20 Web Pdf 